
角式截止阀主要性能规范:
|
遵循规范
|
STANDARD
|
|
设计与制造
|
GB12233/GB 12235
|
|
结构长度
|
GB 12221/JB96(长系列)
|
|
结构长度
|
GB78/JB79(GB、HG、SH)
|
|
压力试验
|
GB/T 13927
|
|
标志
|
GB 12220
|
|
供货
|
GB/T12252
|
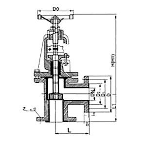
角式截止阀法兰连接截止阀(角式)
角式截止阀设计与制造符合中国标准
1、基本结构形式:角式
2、公称压力:PN1.6-4.0(MPa)
3、公称通径:DN15-300(mm)
角式截止阀1.6MPa主要连接尺寸:
|
DN
|
in
|
L
|
D
|
D1
|
D2
|
f
|
b
|
z-φd
|
Do
|
H1
|
H2
|
W
|
|
15
|
1/2
|
65/90
|
95
|
65
|
45
|
2
|
14
|
4-φ14
|
100
|
240
|
265
|
7
|
|
20
|
3/4
|
75/95
|
105
|
75
|
55
|
2
|
16
|
4-φ14
|
100
|
245
|
270
|
7.5
|
|
25
|
1
|
80/100
|
115
|
85
|
65
|
2
|
16
|
4-φ14
|
120
|
250
|
275
|
8.5
|
|
32
|
21/4
|
95/105
|
135
|
100
|
78
|
2
|
18
|
4-φ18
|
140
|
260
|
290
|
12
|
|
40
|
21/2
|
100/115
|
145
|
110
|
85
|
2
|
18
|
4-φ18
|
140
|
290
|
325
|
14
|
|
50
|
2
|
115/125
|
160
|
125
|
100
|
2
|
20
|
4-φ18
|
160
|
300
|
335
|
19
|
|
65
|
21/2
|
145
|
180
|
145
|
120
|
2
|
20
|
4-φ18
|
180
|
355
|
400
|
27
|
|
80
|
3
|
155
|
195
|
160
|
135
|
2
|
22
|
4-φ18
|
240
|
400
|
450
|
42
|
|
100
|
4
|
175
|
215
|
180
|
155
|
2
|
24
|
8-φ18
|
240
|
455
|
495
|
50
|
|
125
|
5
|
200
|
245
|
210
|
185
|
2
|
26
|
8-φ18
|
280
|
530
|
560
|
64
|
|
150
|
6
|
240/225
|
280
|
240
|
210
|
2
|
28
|
8-φ23
|
320
|
605
|
650
|
85
|
|
200
|
8
|
275
|
335
|
295
|
265
|
2
|
30
|
8-φ23
|
360
|
650
|
770
|
155
|
角式截止阀2.5MPa主要连接尺寸:
|
DN
|
in
|
L
|
D
|
D1
|
D2
|
f
|
b
|
z-φd
|
Do
|
H1
|
H2
|
W
|
|
15
|
1/2
|
65/90
|
95
|
65
|
45
|
2
|
16
|
4-φ14
|
120
|
245
|
270
|
7.5
|
|
20
|
3/4
|
75/95
|
105
|
75
|
55
|
2
|
16
|
4-φ14
|
120
|
250
|
275
|
8.8
|
|
25
|
1
|
80/100
|
115
|
85
|
65
|
2
|
16
|
4-φ14
|
140
|
260
|
290
|
11
|
|
32
|
21/4
|
95/105
|
135
|
100
|
78
|
2
|
18
|
4-φ18
|
140
|
290
|
325
|
13
|
|
40
|
21/2
|
100/115
|
145
|
110
|
85
|
3
|
18
|
4-φ18
|
160
|
300
|
335
|
18
|
|
50
|
2
|
115/125
|
160
|
125
|
100
|
3
|
20
|
4-φ18
|
180
|
355
|
400
|
31
|
|
65
|
21/2
|
145
|
180
|
145
|
120
|
3
|
22
|
8-φ18
|
220
|
400
|
450
|
39
|
|
80
|
3
|
155
|
195
|
160
|
135
|
3
|
22
|
8-φ18
|
280
|
450
|
495
|
50
|
|
100
|
4
|
175
|
230
|
190
|
160
|
3
|
24
|
8-φ23
|
320
|
530
|
590
|
60
|
|
125
|
5
|
200
|
270
|
220
|
188
|
3
|
28
|
8-φ25
|
380
|
600
|
650
|
75
|
|
150
|
6
|
240/225
|
300
|
250
|
218
|
3
|
30
|
8-φ25
|
400
|
650
|
770
|
98
|
|
200
|
8
|
275
|
360
|
310
|
278
|
3
|
34
|
12-φ23
|
450
|
700
|
850
|
170
|