
蝶阀是指关闭件(蝶板)为圆盘,围绕阀轴旋转来达到开启与关闭的一种阀门,在管道上主要起切断和节流作用。蝶板由阀杆带动,若转过90°,便能完成一次启闭。改变蝶板的偏转角度,即可控制介质的流量。常用的蝶阀有对夹式蝶阀、凸耳式蝶阀和法兰式蝶阀。蝶阀适用于发生炉、煤气、天然气、液化石油气、城市煤气、冷热空气、化工冶炼和发电环保、建筑给排水等工程系统中输送各种腐蚀性、非腐蚀性流体介质的管道上,用于调节和截断介质的流动。
1、本阀采用双偏心结构,具有越关越紧的密封功能,密封性能可靠;
2、密封副材料选用不锈钢和丁腈耐油橡胶配对,使用寿命长;
3、橡胶密封圈既可位于阀体上,也可以位于蝶板上,可适用不同特点的介质,供用户选择;
4、蝶板采用框架结构,强度高,过流面积大,流阻小;
5、整体烤漆、能有效地防止锈蚀且只要更换密封阀座材料,就可以使用于不同介质;
6、阀体具有双向密封功能,安装时不受介质流向的控制,也不受空间位置的影响,可在任何方向安装;
7、本阀结构独特,操作灵活、省力、方便。
设计规范:GB/T12238
法兰连接:GB/T9113、GB/T172416
结构长度:GB/T12221
试验与检验:GB/T13927
主要材质:WCB、QT450-10、HT200、HT250
产品型号:D342X
产品规格:DN50~2000mm
压力等级:PN0.6~1.6MPa
适用介质:水、空气、天然气、油品及弱腐蚀性流体
适用温度:丁腈橡胶-40℃~90℃、氟橡胶-20℃~200℃
驱动方式:蜗轮传动、电动、气动
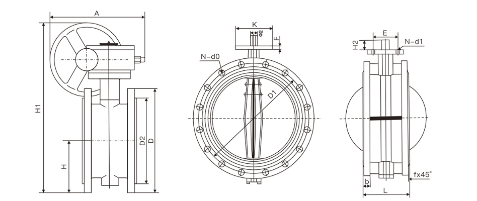
|
DN |
L |
D |
D1 |
D2 |
b |
f |
N-d0 |
A |
K |
E |
F |
H |
H1 |
H2 |
Φ2 |
N-d1 |
|
50 |
108 |
165 |
125 |
102 |
18 |
3 |
4-Φ18 |
180 |
65 |
50 |
13 |
83 |
338 |
28 |
12.6 |
4-Φ7 |
|
65 |
112 |
185 |
145 |
122 |
18 |
3 |
8-Φ18 |
180 |
65 |
50 |
13 |
93 |
358 |
28 |
12.6 |
4-Φ7 |
|
80 |
114 |
200 |
160 |
138 |
20 |
3 |
8-Φ18 |
245 |
65 |
50 |
13 |
100 |
413 |
28 |
12.6 |
4-Φ7 |
|
100 |
127 |
220 |
180 |
158 |
20 |
3 |
8-Φ18 |
240 |
90 |
70 |
13 |
114 |
428 |
28 |
15.77 |
4-Φ10 |
|
125 |
140 |
250 |
210 |
188 |
22 |
3 |
8-Φ18 |
240 |
90 |
70 |
13 |
125 |
444 |
28 |
18.92 |
4-Φ10 |
|
150 |
140 |
285 |
240 |
212 |
22 |
3 |
8-Φ22 |
350 |
90 |
70 |
13 |
143 |
553 |
28 |
18.92 |
4-Φ10 |
|
200 |
152 |
340 |
295 |
268 |
24 |
3 |
12-Φ22 |
350 |
125 |
102 |
13 |
170 |
678 |
38 |
22.1 |
4-Φ12 |
|
250 |
165 |
405 |
355 |
320 |
26 |
3 |
12-Φ26 |
550 |
125 |
102 |
13 |
198 |
742 |
38 |
28.45 |
4-Φ12 |
|
300 |
178 |
460 |
410 |
378 |
28 |
4 |
12-Φ26 |
600 |
125 |
102 |
20 |
223 |
803 |
38 |
31.6 |
4-Φ12 |
|
350 |
190 |
520 |
470 |
438 |
30 |
4 |
16-Φ26 |
600 |
150 |
125 |
20 |
270 |
866 |
45 |
31.6 |
4-Φ14 |
|
400 |
216 |
580 |
525 |
490 |
32 |
4 |
16-Φ30 |
600 |
175 |
140 |
20 |
300 |
940 |
51 |
33.15 |
4-Φ18 |
|
450 |
222 |
640 |
585 |
550 |
40 |
4 |
20-Φ30 |
750 |
175 |
140 |
20 |
340 |
995 |
51 |
37.95 |
4-Φ18 |
|
500 |
229 |
715 |
650 |
610 |
44 |
4 |
20-Φ33 |
750 |
175 |
140 |
22 |
355 |
1058 |
57 |
41.12 |
4-Φ18 |
|
600 |
267 |
840 |
770 |
725 |
54 |
5 |
20-Φ36 |
750 |
210 |
165 |
30 |
410 |
1163 |
70 |
50.63 |
4-Φ22 |
|
700 |
292 |
910 |
840 |
795 |
40 |
5 |
24-Φ36 |
750 |
300 |
254 |
30 |
478 |
1283 |
66 |
63.35 |
8-Φ18 |
|
800 |
318 |
1025 |
950 |
900 |
42 |
5 |
24-Φ39 |
750 |
300 |
254 |
30 |
529 |
1398 |
66 |
63.35 |
8-Φ18 |
|
900 |
330 |
1125 |
1050 |
1000 |
44 |
5 |
28-Φ39 |
1250 |
300 |
254 |
34 |
584 |
1498 |
118 |
75 |
8-Φ18 |
|
1000 |
410 |
1255 |
1170 |
1115 |
46 |
5 |
28-Φ42 |
1500 |
300 |
254 |
34 |
357 |
1608 |
142 |
85 |
8-Φ18 |
|
1200 |
470 |
1485 |
1390 |
1330 |
52 |
5 |
32-Φ48 |
1500 |
350 |
298 |
34 |
799 |
1876 |
150 |
105 |
8-Φ22 |
|
1400 |
530 |
1685 |
1590 |
1530 |
58 |
5 |
36-Φ48 |
- |
415 |
356 |
40 |
919 |
- |
200 |
120 |
8-Φ32 |