
阀体重量轻、耐腐蚀性强,
例如:纯水和生饮水的管路系统、排水和污水管路系统、盐水和海水管路系统、
酸碱和化学溶液系统等多个行业。
※ 外型结构紧凑美观
※ 本体重量轻容易安装
※ 耐腐蚀性强,应用范围广
※ 材质卫生无毒
※ 耐磨损、容易拆卸,维护简单易行
●适用流体:水、空气、油类、腐蚀性化学液体
塑料手动对夹式蝶阀零件材质表:
| NO | 名称 | 材质 |
| 1 | 阀体 | FRPP、PVDF、CPVC |
| 2 | 阀瓣 | FRPP、PVDF、CPVC |
| 3 | 阀杆 | 1Cr18Ni9Ti 45# |
| 4 | 阀座 | EPDM、FPM |
| 5 | O型圈 | EPDM、FPM |
| 6 | 手柄 | ABS |
| 7 | 螺母 | EPDM、FPM |
| 8 | 定位板 | 1Cr18Ni9Ti |
注:为满足各种防腐行业需要,密封的阀座可采用EPDM,FPM,IIR,GR等橡胶。

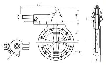
塑料手动对夹式蝶阀尺寸表:
| DN | D1 | D2 | D3 | L1 | H | H1 | H2 | n-¢ |
工作压力(Mpa) |
重量=Kg/台 | |||||
| HG | JIS | DIN | ANSI | FRPP | CPVC | PVDF | |||||||||
| 25 | 35 | 85 | 90 | 85 | 80 | 125 | 185 | 37 | 72 | 60 | 4-17 | 0.7 | 0.9 | 1.0 | 1.1 |
| 32 | 35 | 100 | 125 | 185 | 37 | 72 | 60 | 4-17 | 0.7 | 0.9 | 1.0 | 1.1 | |||
| 40 | 47 | 110 | 105 | 110 | 98.5 | 150 | 200 | 38 | 86 | 70 | 4-18 | 0.7 | 1.2 | 1.3 | 1.5 |
| 50 | 56 | 125 | 120 | 125 | 120 | 160 | 200 | 40 | 86 | 70 | 4-18 | 0.7 | 1.3 | 1.5 | 1.6 |
| 65 | 71 | 145 | 145 | 145 | 140 | 185 | 220 | 45 | 100 | 70 | 4-18 | 0.7 | 1.7 | 1.8 | 2.0 |
| 80 | 85 | 160 | 150 | 160 | 152 | 195 | 280 | 46 | 105 | 85 | 8-18 | 0.7 | 2.3 | 2.5 | 2.7 |
| 100 | 105 | 180 | 175 | 180 | 190 | 215 | 280 | 55 | 118 | 85 | 8-18 | 0.6 | 4.0 | 4.4 | 4.8 |
| 125 | 131 | 210 | 210 | 210 | 216 | 250 | 300 | 62 | 163 | 93 | 8-18 | 0.5 | 4.8 | 5.2 | 5.7 |
| 150 | 153 | 240 | 240 | 240 | 240. | 285 | 300 | 67 | 176 | 93 | 8-22 | 0.5 | 5.5 | 6.1 | 6.5 |
注:1.本蝶阀系列法兰孔径按GB2555-81,1.0Mpa标准。也可按用户要求按JIS,DIN,ANSI标准进行制作。
2.D71X-6F阀瓣为PVDF,密封为FPM,D71X-6S阀体阀瓣均为FRPP,密封EPQM通称手柄式蝶阀.