
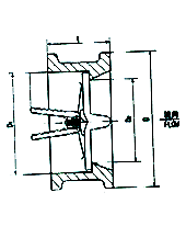
H76X型对夹式止回阀由阀体、阀瓣、阀杆及弹簧等零件组成,采用对夹连接。由于阀瓣的关闭行程短,并且有弹簧加载,可显著减少水锤现象。该阀主要适用于城市、工业及高层建筑给水、排水管网上。由于其结构长度比一般止回阀短,对有安装空间限制的场所为适用。
软密封蝶型止回阀主要零部件材料:
|
零件名称 |
阀体 | 阀瓣 | 阀杆 | 弹簧 | 阀座 |
| 材 料 |
铸铁、铸钢 |
碳钢 | 不锈钢 | 不锈钢 | 丁腈 橡胶 |
| 型 号 | 公 称 压 力 PN(MPa) | 强度试验压力(MPa) | 密封试验压力(MPa) | 适用 温度 | 适用 介质 |
| H76X-10 | 1.0 | 1.5 | 1.1 | ≤80℃ |
清水 污水 |

| 公称通径 DN(mm) | L(mm) | H(mm) | D(mm) | |
| 1.0MPa | 1.6MPa | |||
| 50 | 43 | 60 | 105 | 105 |
| 65 | 46 | 73 | 124 | 124 |
| 80 | 64 | 89 | 142 | 142 |
| 100 | 64 | 110 | 162 | 162 |
| 125 | 70 | 141 | 192 | 192 |
| 150 | 76 | 168 | 218 | 218 |
| 200 | 89 | 219 | 272 | 273 |
| 250 | 114 | 273 | 328 | 328 |
| 300 | 114 | 324 | 378 | 384 |
| 公称通径 DN(mm) | L(mm) | H(mm) | D(mm) | |
| 1.0MPa | 1.6MPa | |||
| 350 | 127 | 356 | 438 | 444 |
| 400 | 140 | 418 | 489 | 495 |
| 450 | 152 | 457 | 540 | 555 |
| 500 | 152 | 526 | 594 | 616 |
| 600 | 178 | 626 | 695 | 734 |
| 700 | 229 | 672 | 810 | 804 |
| 800 | 241 | 778 | 916 | 910 |
| 900 | 241 | 878 | 1016 | 1010 |
| 1000 | 300 | 914 | 1124 | 1128 |